Водяной тепловентилятор Ballu BHP-W2-40-LN серии W2-LN
Предназначен для отопления помещений с большой площадью и высотой потолков более 6 м (производственных цехов, складов, автосервисов, спортивных объектов и др.) Также, при подключении к холодному водоснабжению, может работать на охлаждение.
- Корпус изготовлен из промышленного ABS пластика, что гарантирует его прочность, долговечность и устойчивость к воздействию различных веществ.
- Регулируемые заслонки и поворотный кронштейн (идет в комплекте) позволяют формировать поток воздуха в нужном направлении.
- Степень пылевлагозащиты IP 54 позволяет использовать прибор в помещениях с повышенной влажностью.
- Для управления тепловентилятором опционально можно использовать: термостаты BMT-1, BMT-2, BMC-1, пульт управления BRC-W.
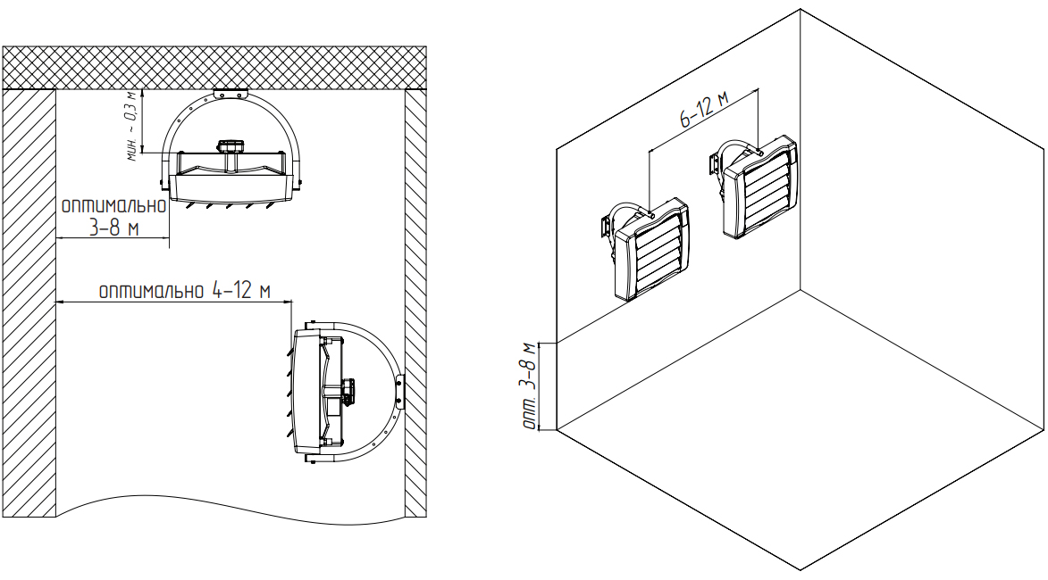
Монтаж тепловентилятора:

Варианты размещения при настенном монтаже:



ЕС мотор (Electronically Commutated-Электронно коммутируемый вентилятор) представляет собой двигатель постоянного тока, со встроенной электроникой коммутации и постоянными магнитами во внешнем роторе. Принцип работы - плавная регулировка оборотов.
АС мотор (Асинхронный двигатель) – это электрический двигатель переменного тока, действующий на основе вращающегося магнитного поля статора. Принцип работы старт/стоп, ограничен несколькими ступенями регулировки оборотов.
Если говорить просто, то основным отличием ЕС моторов от АС является сниженное энергопотребление. ЕС двигатели соответствуют действующей европейской директиве по энергосбережению ERP 2020, и в процессе работы выделяет ощутимо меньше тепла по сравнению с АС. Также в EC двигателе отсутствуют тепловые потери и, соответственно, повышается КПД.
Некоторые модели водяных тепловентиляторов могут работать на охлаждение, в качестве хладагента применяется холодная вода или этиленгликоль.
Тепловые характеристики приведены при температуре воздуха на входе +0 °С, максимальном расходе воздуха и максимальной температуре теплоносителя (указанной в таблице тепловой мощности от производителя).
Тепловые характеристики приведены при температуре воздуха в помещении +15С и максимальном расходе воздуха.
Тепловые характеристики приведены при температуре воздуха в помещении +15С и максимальном расходе воздуха.
Тепловые характеристики приведены при температуре воздуха в помещении +15С и максимальном расходе воздуха.
Тепловые характеристики приведены при температуре воздуха в помещении +15С и максимальном расходе воздуха.
Тепловые характеристики приведены при температуре воздуха в помещении +15С и максимальном расходе воздуха.
Тепловые характеристики приведены при температуре воздуха в помещении +15С и максимальном расходе воздуха.
Тепловые характеристики приведены при температуре воздуха в помещении +15С и максимальном расходе воздуха.
Тепловые характеристики приведены при температуре воздуха в помещении +15С и максимальном расходе воздуха.
Тепловые характеристики приведены при температуре воздуха в помещении +15С и максимальном расходе воздуха.
Тепловые характеристики приведены при температуре воздуха в помещении +15С и максимальном расходе воздуха.
- sert_sootv_BHP-W2-LN.pdf (1.52 MBytes) - Сертификат соответствия BHP-W2-LN
- instrukciya_BHP-W2-LN.pdf (6.54 MBytes) - Руководство по эксплуатации Тепловентилятор Ballu серия BHP-W2-LN
Евгений
28 ноября 2023 22:28как подключать вентилятор к воде?
подача воды с верху или снизу?
Спасибо

















































































